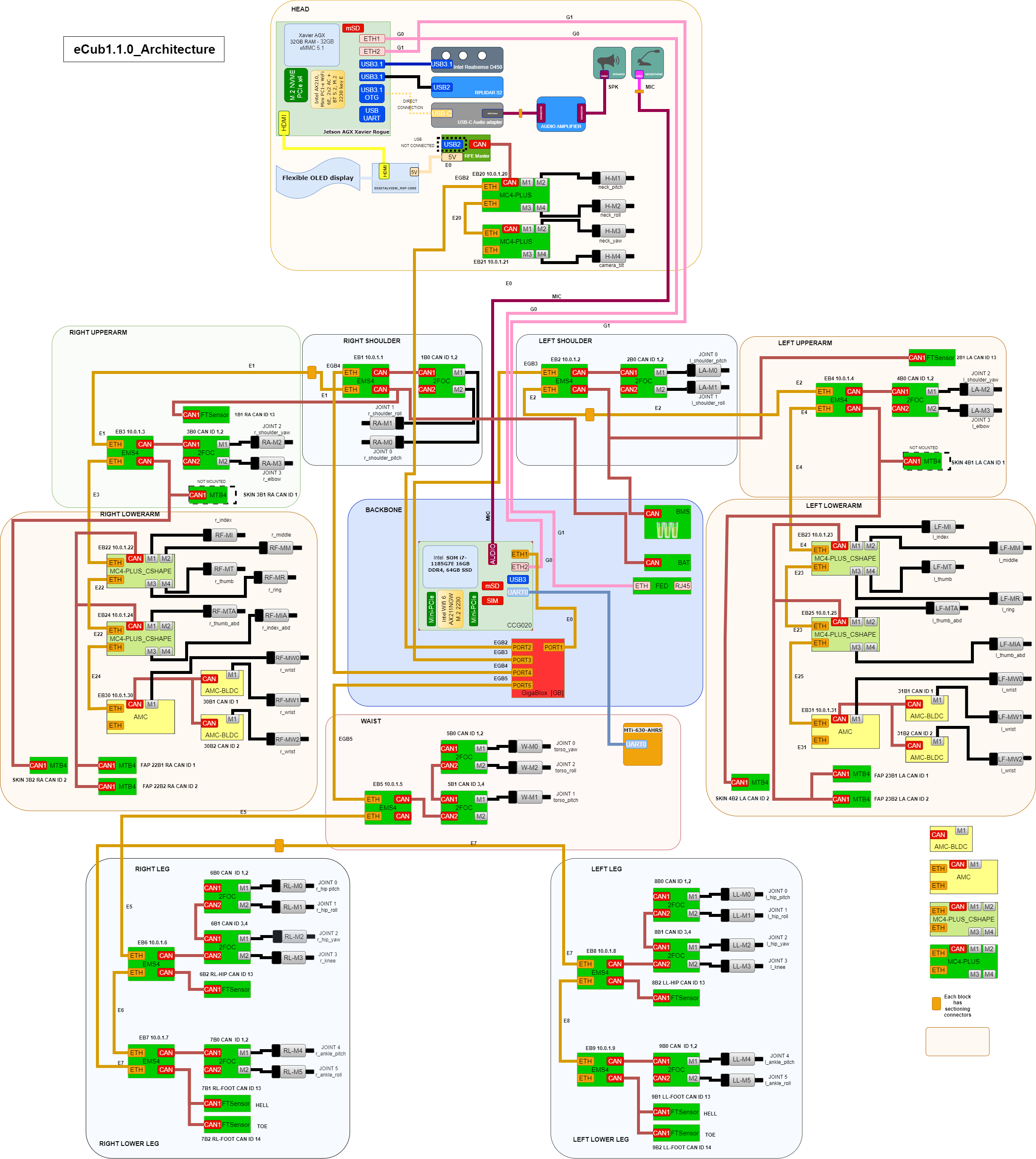
Ergocub1 1 ergoCub 1.1 Wiring The system architecture of ergoCub1.1 is depicted in the following image: Logic and Harness ergoCub 1.1 Full Robot ergoCub1.1 S/N:001 Logic_1.1.0 ergoCub1.1 S/N:001 Harness_1.1.0 Motor & Board Placement ergoCub 1.1 ergoCub1.1 S/N:001 rev1.1.0