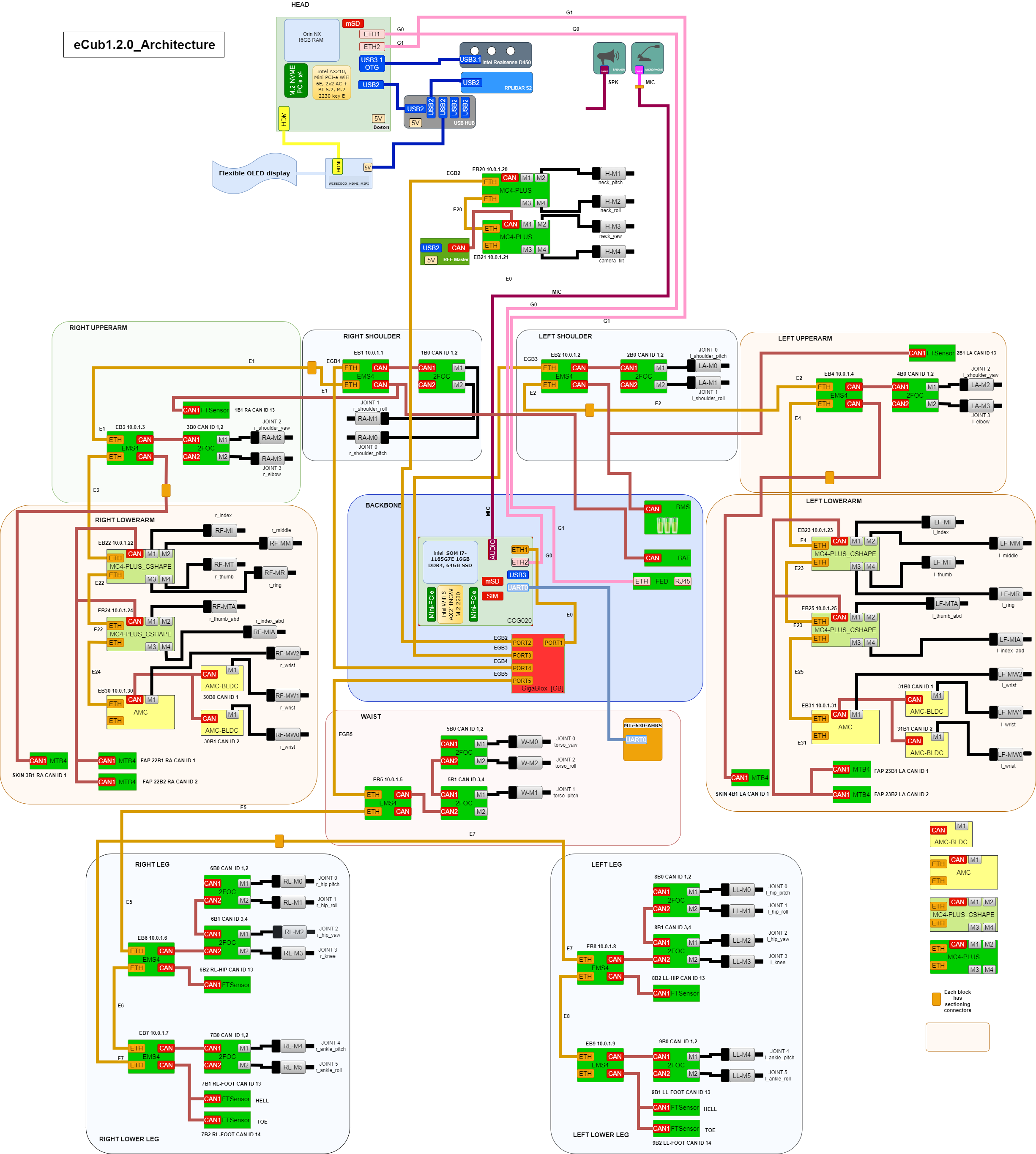
Ergocub1 2 ergoCub 1.2 Wiring The system architecture of ergoCub1.2 is depicted in the following image: Logic and Harness ergoCub 1.2 Full Robot ergoCub1.2_Logic_17929_1.2.0 ergoCub1.2_Harness_17935_1.2.0 Motor & Board Placement ergoCub 1.2 ergoCub1.2 S/N:002 rev1.2.0